matlab基础练习题及答案⏺
matlab基础练习题及答案⏺
发布时间:2025-10-04 17:46:05
matlab基础练习题及答案⏺

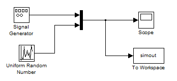
9.4 建立一个简单模型,用信号发生器产生一个幅度为2V、频率为0.5Hz的正弦波,并叠加一个0.1V的噪声信号,将叠加后的信号显示在示波器上并传送到工作空间。答:
9.5 建立一个简单模型,产生一组常数(1×5),再将该常数与其5倍的结果合成一个二维数组,用数字显示器显示出来。答:9.6 建立一个模拟系统,将摄氏温度转换为华氏温度(T = 9/5T 32)。答:9.7 建立二阶系统的脉冲响应模型,设ωf=10Hz,观察当0<ζ<1、ζ=0、ζ=1及ζ>1时系统的响应。答:
9.8 皮球以15米/秒的速度从10米高的地方落下,建立显示球弹跳轨迹的模型。答: